オックスフォード・インストゥルメンツー事業部ページ
拡張

Unity分析事例

どちらのイメージングで分析したいですか︖

Unity で観たいもの、サンプル募集中!

NEW Nbコーティングを施したLiCoO粒子の観察
試料提供 : JFEテクノリサーチ株式会社

UnityによるBEXイメージング (左)

SEMによる反射電⼦イメージング (右)

UnityによるBEXイメージング:Nbコーティングを施したLiCoO粒子の観察(試料提供 : JFEテクノリサーチ株式会社)
SEMによる反射電子イメージング:Nbコーティングを施したLiCoO粒子の観察(試料提供 : JFEテクノリサーチ株式会社)
UnityによるBEXイメージング:Nbコーティングを施したLiCoO粒子の観察(試料提供 : JFEテクノリサーチ株式会社)
SEMによる反射電子イメージング:Nbコーティングを施したLiCoO粒子の観察(試料提供 : JFEテクノリサーチ株式会社)
UnityによるBEXイメージング:Nbコーティングを施したLiCoO粒子の観察(試料提供 : JFEテクノリサーチ株式会社)
SEMによる反射電子イメージング:Nbコーティングを施したLiCoO粒子の観察(試料提供 : JFEテクノリサーチ株式会社)

混合金属粉(銅、白銅、真鍮、りん青銅、ステンレス)

UnityによるBEXイメージング (左)

SEMによる反射電⼦イメージング (右)

Unity によるBEXイメージング:混合金属粉(銅、白銅、真鍮、りん青銅、ステンレス)
SEMによる 反射電子イメージング:混合金属粉(銅、白銅、真鍮、りん青銅、ステンレス)
Unity によるBEXイメージング:混合金属粉(銅、白銅、真鍮、りん青銅、ステンレス)
SEMによる 反射電子イメージング:混合金属粉(銅、白銅、真鍮、りん青銅、ステンレス)
Unity によるBEXイメージング:混合金属粉(銅、白銅、真鍮、りん青銅、ステンレス)
SEMによる 反射電子イメージング:混合金属粉(銅、白銅、真鍮、りん青銅、ステンレス)

ブレーキパッド(高温焼結) 

UnityによるBEXイメージング (左)

SEMによる反射電⼦イメージング (右)

Unity によるBEXイメージング:ブレーキパッド(高温焼結)
SEMによる 反射電子イメージング:ブレーキパッド(高温焼結)
Unity によるBEXイメージング:ブレーキパッド(高温焼結)
SEMによる 反射電子イメージング:ブレーキパッド(高温焼結)
Unity によるBEXイメージング:ブレーキパッド(高温焼結)
SEMによる 反射電子イメージング:ブレーキパッド(高温焼結)

編込金属線

UnityによるBEXイメージング (左)

SEMによる反射電⼦イメージング (右)

Unity によるBEXイメージング:編込金属線
SEMによる 反射電子イメージング:編込金属線
Unity によるBEXイメージング:編込金属線
SEMによる 反射電子イメージング:編込金属線
Unity によるBEXイメージング:編込金属線
SEMによる 反射電子イメージング:編込金属線

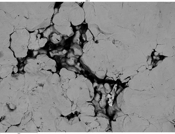
焼結金属ギヤ表面 15kV

UnityによるBEXイメージング (左)

SEMによる反射電⼦イメージング (右)

Unity によるBEXイメージング:焼結金属ギヤ表面(粉末冶金) 15kV
SEMによる 反射電子イメージング:焼結金属ギヤ表面(粉末冶金) 15kV
Unity によるBEXイメージング:焼結金属ギヤ表面(粉末冶金) 15kV
SEMによる 反射電子イメージング:焼結金属ギヤ表面(粉末冶金) 15kV

ICチップ はんだ表面

UnityによるBEXイメージング (左)

SEMによる反射電⼦イメージング (右)

Unity によるBEXイメージング:ICチップ はんだ表面
SEMによる 反射電子イメージング:ICチップ はんだ表面
Unity によるBEXイメージング:ICチップ はんだ表面
SEMによる 反射電子イメージング:ICチップ はんだ表面
Unity によるBEXイメージング:ICチップ はんだ表面
SEMによる 反射電子イメージング:ICチップ はんだ表面

半導体チップ表面 ‐ 機械研磨

UnityによるBEXイメージング (左)

SEMによる反射電⼦イメージング (右)

Unity によるBEXイメージング:半導体チップ表面 ‐ 機械研磨
SEMによる 反射電子イメージング:半導体チップ表面 ‐ 機械研磨
Unity によるBEXイメージング:半導体チップ表面 ‐ 機械研磨
SEMによる 反射電子イメージング:半導体チップ表面 ‐ 機械研磨
Unity によるBEXイメージング:半導体チップ表面 ‐ 機械研磨
SEMによる 反射電子イメージング:半導体チップ表面 ‐ 機械研磨

ターコイズなど 低倍率にて、高解像度/高品質イメージの収集

UnityによるBEXイメージング (左)

SEMによる反射電⼦イメージング (右)

Unity によるBEXイメージング:ターコイズなど 低倍率にて、高解像度/高品質イメージの収集
SEMによる 反射電子イメージング:ターコイズなど 低倍率にて、高解像度/高品質イメージの収集
Unity によるBEXイメージング:ターコイズなど 低倍率にて、高解像度/高品質イメージの収集
SEMによる 反射電子イメージング:ターコイズなど 低倍率にて、高解像度/高品質イメージの収集
Unity によるBEXイメージング:天然石
SEMによる 反射電子イメージング:天然石

NEW はんだボールにおけるCu-Sn-Au-Ag合金の分布, 12kV

UnityによるBEXイメージング (左)

SEMによる反射電⼦イメージング (右)

Unity によるBEXイメージング:はんだボールにおけるCu-Sn-Au-Ag合金の分布, 12kV
SEMによる 反射電子イメージング:はんだボールにおけるCu-Sn-Au-Ag合金の分布, 12kV
Unity によるBEXイメージング:はんだボールにおけるCu-Sn-Au-Ag合金の分布, 12kV
SEMによる 反射電子イメージング:はんだボールにおけるCu-Sn-Au-Ag合金の分布, 12kV
Unity によるBEXイメージング:はんだボールにおけるCu-Sn-Au-Ag合金の分布, 12kV
SEMによる 反射電子イメージング:はんだボールにおけるCu-Sn-Au-Ag合金の分布, 12kV

NEW 錠剤 15 kV 低真空

UnityによるBEXイメージング (左)

SEMによる反射電⼦イメージング (右)

Unity によるBEXイメージング:錠剤 15 kV 低真空
SEMによる 反射電子イメージング:錠剤 15 kV 低真空
Unity によるBEXイメージング:錠剤 15 kV 低真空
SEMによる 反射電子イメージング:錠剤 15 kV 低真空

NEW 貝殻上堆積物 15kV 低真空

UnityによるBEXイメージング (左)

SEMによる反射電⼦イメージング (右)

貝殻上堆積物 15kV 低真空
貝殻上堆積物 15kV 低真空
貝殻上堆積物 15kV 低真空
貝殻上堆積物 15kV 低真空

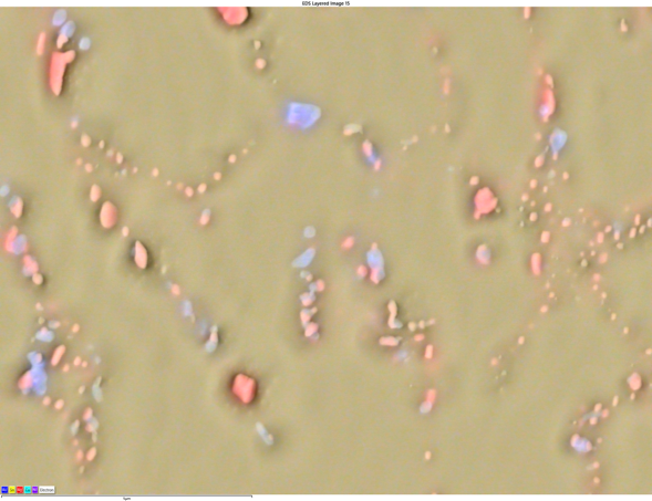
バッテリー負極材の異物分析

UnityによるBEXイメージング (左)

SEMによる反射電⼦イメージング (右)

Unity によるBEXイメージング:バッテリー負極材の異物分析
SEMによる 反射電子イメージング:バッテリー負極材の異物分析

バッテリー正極材の異物分析

UnityによるBEXイメージング (左)

SEMによる反射電⼦イメージング (右)

Unity によるBEXイメージング:バッテリー正極材の異物分析
SEMによる 反射電子イメージング:バッテリー正極材の異物分析
Unity によるBEXイメージング:バッテリー正極材の異物分析
SEMによる 反射電子イメージング:バッテリー正極材の異物分析

はんだボールにおけるCu-Sn-Au-Ag合金の分布, 12kV

UnityによるBEXイメージング (左)

SEMによる反射電⼦イメージング (右)

Unity によるBEXイメージング:はんだボールにおけるCu-Sn-Au-Ag合金の分布, 12kV
SEMによる 反射電子イメージング:はんだボールにおけるCu-Sn-Au-Ag合金の分布, 12kV
Unity によるBEXイメージング:はんだボールにおけるCu-Sn-Au-Ag合金の分布, 12kV
SEMによる 反射電子イメージング:はんだボールにおけるCu-Sn-Au-Ag合金の分布, 12kV
Unity によるBEXイメージング:はんだボールにおけるCu-Sn-Au-Ag合金の分布, 12kV
SEMによる 反射電子イメージング:はんだボールにおけるCu-Sn-Au-Ag合金の分布, 12kV

電子基板 45度傾斜, 50Pa

UnityによるBEXイメージング (左)

SEMによる反射電⼦イメージング (右)

Unity によるBEXイメージング:電子基板 45度傾斜, 50Pa
SEMによる 反射電子イメージング:電子基板 45度傾斜, 50Pa
Unity によるBEXイメージング:電子基板 45度傾斜, 50Pa
SEMによる 反射電子イメージング:電子基板 45度傾斜, 50Pa
Unity によるBEXイメージング:電子基板 45度傾斜, 50Pa
SEMによる 反射電子イメージング:電子基板 45度傾斜, 50Pa

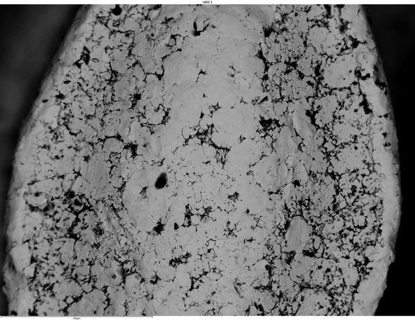
コンクリート 構造観察

UnityによるBEXイメージング (左)

SEMによる反射電⼦イメージング (右)

Unity によるBEXイメージング:コンクリート 構造観察
SEMによる 反射電子イメージング:コンクリート 構造観察
Unity によるBEXイメージング:コンクリート 構造観察
SEMによる 反射電子イメージング:コンクリート 構造観察
Unity によるBEXイメージング:コンクリート 構造観察
SEMによる 反射電子イメージング:コンクリート 構造観察

フライアッシュ(セメント工場飛灰)

UnityによるBEXイメージング (左)

SEMによる反射電⼦イメージング (右)

Unity によるBEXイメージング:フライアッシュ(セメント工場飛灰)
SEMによる 反射電子イメージング:フライアッシュ(セメント工場飛灰)
Unity によるBEXイメージング:フライアッシュ(セメント工場飛灰)
SEMによる 反射電子イメージング:フライアッシュ(セメント工場飛灰)
Unity によるBEXイメージング:フライアッシュ(セメント工場飛灰)
SEMによる 反射電子イメージング:フライアッシュ(セメント工場飛灰)

Unityを使⽤する理由

Unity(ユニティ)は、オックスフォード・インストゥルメンツが6年の歳⽉をかけて開発した全く新しい検出器です。反射電⼦(Backscattered Electron) X線(X-ray) のセンサーを統合した、世界初のBEXイメージングを実現するUnityは、元素情報をもつ⾼精細なカラー画像を⾼速で表⽰しながら、試料の観察を進めることができます。そのため、従来の方法と比較して最大100倍も速く分析結果を得ることができます。

現在分析している試料を、BEXイメージングで観察してみませんか︖

Unity で観たいもの、サンプル募集中!

デモンストレーションのご希望も、ぜひ下記の受付フォームよりお問合せください。

 

関連情報


お問い合わせ先

オックスフォード・インストゥルメンツ株式会社
分析機器事業部
Tel:03-6744-4702(平日9時~17時30分、当社休業日を除く)
Eメール:na-mail.jp@oxinst.com

分析についてお困りですか?